Products Desc.
KSD 309 Series Thermostat is a commonly used bimetallic thermostat in various applications. It is a type of thermal switch that operates based on the principle of thermal expansion and contraction of two dissimilar metals.

Advantages of KSD309 Thermostat
1. Temperature Sensing and Control: The KSD309 thermostat is designed to sense temperature changes and provide control functions based on the set temperature thresholds. It can open or close electrical contacts to regulate the temperature in a specific system or device.
2. Bimetallic Construction: The thermostat utilizes a bimetallic strip that consists of two metal layers with different coefficients of thermal expansion. When the temperature changes, the bimetallic strip bends due to the differing expansion rates, triggering the switching action of the thermostat.

3. Snap-Action Switching: The KSD309 thermostat employs a snap-action mechanism, meaning that once the temperature reaches a certain point, the bimetallic strip rapidly snaps to a different position, either opening or closing the electrical contacts. This quick switching action ensures fast response and accuracy in temperature control.
4. Compact and Reliable Design: The KSD309 thermostat is compact in size, making it suitable for various space-constrained applications. It is designed to be reliable, with durable construction and stable performance over an extended period.
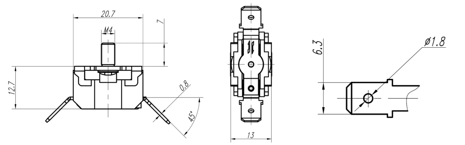
Product Parameter
| Product name: | KSD309 Series Thermostat | Rated Current: |
10A 16A |
| Rated Voltage: | 250V | Open Temperature: | 151-280℃ |
| Body Material: | Ceramic | Contact System: | Normal Closed |
| Reset Type: | Auto Reset | Cycles: | 10000 times |
| Contact Resistance: | Below 50MΩ | Switch Structure: | SPST |
Products Details
Straight pins:

Bend pins:


PCB Pins
Some KSD309 thermostats may come with PCB (Printed Circuit Board) pins, which are designed for direct insertion into pre-drilled holes on a circuit board.

Straight Pins
This configuration features straight pins extending from the body of the thermostat. These pins are typically soldered onto a circuit board or connected using appropriate connectors.

Right-Angle Pins
In this configuration, the pins of the KSD309 thermostat are bent at a right angle. This allows for horizontal mounting on a circuit board or facilitates connections in tight spaces.
Wide Appilcation
1. Electric Water Heaters: The KSD309 thermostat is frequently used in electric water heaters to regulate and maintain the desired water temperature. It ensures that the heating element is activated or deactivated based on the set temperature threshold, providing efficient and safe water heating.
2. Electric Kettles: KSD309 thermostats are employed in electric kettles to control the heating element and maintain the water temperature at a desired level. They help prevent over-boiling and ensure the kettle switches off when the water reaches the set temperature.
3. Coffee Makers: Coffee makers utilize the KSD309 thermostat to control the temperature of the water during brewing. The thermostat helps maintain the optimal brewing temperature for extracting the desired flavors from the coffee grounds.
4. Toasters: KSD309 thermostats are used in toasters to regulate the toasting process. They ensure that the toasting elements heat up to the desired temperature, allowing precise browning of bread or other food items.
5. Heating Appliances: The KSD309 thermostat is applied in various heating appliances like electric ovens, electric fryers, and electric grills. It controls the temperature inside the appliance, ensuring consistent and accurate heating for cooking or baking purposes.

Factory Tour
Dongguan Senreach Electronic Co., Ltd. was established in 2000. Our factory covers an area of 4000 square meters with a monthly production capacity of 50 million pieces. We are committed to becoming a comprehensive circuit protection component manufacturer and solution supplier.
We are specialized in over current protection, over temperature protection, over voltage protection design, development, production and sales. Products are widely used in consumer electronics, automobiles, ships, communications, power supplies, power tools, new energy and other fields.
With variety of advanced manufacturing and testing equipment, we adopt perfect quality management system to ensure that every single piece of our components are safe and stable. Our operations are ISO9001:2000-certified and products meet international standards.

equipment

equipment

Production Workshop

equipment

Fuse manufacturing

Production Workshop

Document storage

equipment
Why Choose Us

Price Advantage
We have a complete suuply chain from raw materials to final packing which enables us to control the production cost at every step.

Guaranteed Quality
Every piece of product pass full inspection by both auto test equipment and our QA team.

Stock Wholesale
We have open stock for some universal standard products. Delivery time is just about 1 week.

One-Stop service
We have R&D, QA, sales and after-sales team to offer you a full service including selection recommendation, technical support, after-sales protection.

Exhibition
In the past ten years, we have participated in a lot of domestic and foreign exhibitions about electronic parts. More and more foreign traders got to know our factory, so that they could directly buy from our factory and reduce their product costs. We will update our exhibition infomation on the website.


We’re confident in the design and quality of our KSD 309 Series Thermostat. If you are not sure whether our parts correctly fit your appliance, please feel free to contact us or ask a question.
Hot Tags: ksd 309 series thermostat, China ksd 309 series thermostat manufacturers, suppliers, factory, BH Series Over Heat Thermal Cut Off Fuse, 17 AM Motor Thermal Protector Control Thermostat, 7 AM Thermal Protector, BRI Series High Current Thermal Switch, BW 9700 Temperature Sensor Thermal Cut Off Switch, KSD 01 Temperature Control Thermal Switch












